型號 | 流量(L/h)/壓力(MPa) | 電機 功率 KW |
柱塞 直徑 mm |
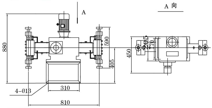
接口 通徑 mm |
最大 行程 mm |
||
往復次數min-1 | |||||||
84 | 102 | 126 | |||||
2JZM | 90/8.0 | 110/6.3 | 130/5.0 | 1.1 | 20 | Φ6 | 32 |
90/16 | 110/12.5 | 130/10 | 1.5 | ||||
2JZM | 110/6.3 | 130/5.0 | 160/4.0 | 1.1 | 22 | Φ6 | |
110/12.5 | 130/10 | 160/8.0 | 1.5 | ||||
2JZM | 142/5.0 | 170/4.0 | 200/3.2 | 1.1 | 25 | Φ6 | |
142/10 | 170/8.0 | 200/6.3 | 1.5 | ||||
2JZM | 180/4.0 | 200/3.2 | 250/2.5 | 1.1 | 28 | Φ15 | |
180/8.0 | 200/6.3 | 250/5.0 | 1.5 | ||||
2JZM | 232/3.2 | 280/2.5 | 360/2.0 | 1.1 | 32 | Φ15 | |
232/6.3 | 280/5.0 | 360/4.0 | 1.5 | ||||
2JZM | 290/2.5 | 360/2.0 | 440/1.6 | 1.1 | 35 | Φ15 | |
290/5.0 | 360/4.0 | 440/3.2 | 1.5 | ||||
2JZM | 380/2.0 | 460/1.6 | 580/1.3 | 1.1 | 40 | Φ15 | |
380/4.0 | 460/3.2 | 580/2.7 | 1.5 | ||||
2JZM | 490/1.6 | 600/1.3 | 720/1.1 | 1.1 | 45 | Φ20 | |
490/3.2 | 600/2.7 | 720/2.3 | 1.5 | ||||
2JZM | 600/1.3 | 720/1.1 | 900/1.0 | 1.1 | 50 | Φ20 | |
600/2.7 | 720/2.3 | 900/2.0 | 1.5 | ||||
2JZM | 720/1.1 | 880/1.0 | 1080/0.8 | 1.1 | 55 | Φ20 | |
720/2.3 | 880/2.0 | 1080/1.7 | 1.5 | ||||
2JZM | 860/1.0 | 1040/0.8 | 1300/0.75 | 1.1 | 60 | Φ25 | |
860/2.0 | 1040/1.7 | 1300/1.5 | 1.5 | ||||
2JZM | 1000/0.8 | 1220/0.75 | 1500/0.63 | 1.1 | 65 | Φ25 | |
1000/1.7 | 1220/1.5 | 1500/1.3 | 1.5 | ||||
2JZM | 1180/0.75 | 1400/0.63 | 1760/0.5 | 1.5 | 70 | Φ35 | |
1180/1.5 | 1400/1.3 | 1760/1.0 | 2.2 | ||||
2JZM | 1360/0.63 | 1640/0.5 | 2000/0.4 | 1.5 | 75 | Φ35 | |
1360/1.3 | 1640/1.0 | 2000/0.8 | 2.2 | ||||
2JZM | 1540/1.0 | 1860/0.8 | 2300/0.63 | 2.2 | 80 | Φ35 | |
2JZM | ?1740/0.8 | 2100/0.63 | 2600/0.5 | 2.2 | 85 | Φ35 | |
2JZM | 1940/0.63 | 2360/0.5 | 2900/0.4 | 2.2 | 90 | Φ35 |